Kia Sportage: Blower Resistor: Repair procedures - Blower - Heating,Ventilation, Air Conditioning - Kia Sportage SL Service & Repair ManualKia Sportage: Blower Resistor: Repair procedures

Third generation SL (2010–2016) / Kia Sportage SL Service & Repair Manual / Heating,Ventilation, Air Conditioning / Blower / Blower Resistor: Repair procedures

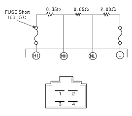
Inspection
1.
Measure terminal-to-terminal resistance of the blower resistor.
2.
measured resistance is not within specification, the blower resistor must be replaced. (After removing the resistor)

1. ML
2. MH
3. LO
4. HI

Replacement
1.
Disconnect the negative (-) battery terminal.
2.
Disconnect the blower resistor connector (A) and then remove the blower resistor (B) after loosening the mounting screws.

3.
Installation is the reverse order of removal.
Power Mosfet: Repair procedures
Inspection 1. Ignition "ON" 2. Manually operate the control switch and measure the voltage of blower motor. 3. Select the control switch to raise voltage until high speed. Specification ...

Climate Control Air Filter: Description and Operation
Description This has particle filter which eliminates foreign materials and odor. The particle filter includes odor filter as well as conventional dust filter to ensure comfortable interior en ...

Other Information:

Intake Air Temperature Sensor (IATS): Repair procedures
Inspection 1. Turn the ignition switch OFF. 2. Disconnect the IATS connector. 3. Measure resistance between the IATS terminals 3 and 4. 4. Check that the resistance is within the speci ...

Oil Pressure Switch: Repair procedures
Inspection 1. Check the continuity between the terminal and the body with an ohmmeter. If there is no continuity, replace the oil pressure switch. 2. Check the continuity between the terminal ...

Categories


Copyright © www.kispmanual.com 2014-2025